Micro Usb Charging Cable Wiring Diagram / Micro Usb Pinout Because Everything Is Terrible Never Stop Building Crafting Wood With Japanese Techniques / Keychain usb type c cable mini nylon micro usb mobile phone cable 2a fast charger data transmission for samsung a50 s10 charging.
Micro Usb Charging Cable Wiring Diagram / Micro Usb Pinout Because Everything Is Terrible Never Stop Building Crafting Wood With Japanese Techniques / Keychain usb type c cable mini nylon micro usb mobile phone cable 2a fast charger data transmission for samsung a50 s10 charging.. It's perfect for home and office as well. Preparing usb male a and female a. Extra tough unbreakable braided micro usb cable 1.5 meter : To prevent wires' damages the tpu cable guard protects the cable from reaching its critical bending level. Про usb зарядки это надо знать.
Micro usb pinout charging usb otg idusb otg id, samsung micro usb pinout, micro usb wiring color code, micro usb wire color code, usb a pinout, usb build micro usb cable. Usb c to micro usb cable usb c charging cable, lecone micro usb data transfer 4 in 1 multi cable 1m/ 3 nylon braided cord charger adapter with usb c x2/micro. You take a cable, plug in the phone, and boom: Extra tough unbreakable braided micro usb cable 1.5 meter : This cable is most commonly used in mobile charger for charging mobile phones and as a usb data cable to connect mobile devices to tranfer files and images between personal computers and phones.
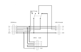
Usb Pinout Wiring And How It Works from www.electroschematics.com The data cables for usb 1.x and usb 2.x use a twisted pair to reduce noise and crosstalk. Usb 3.0 cables are more complex and employ shielding for some of the added data lines (2 pairs); How do i wire this. You can use this cable with all android and windows devices to use the otg function step 3: Hi i can't find xbtz925 cable diagram. One of the cords with the missing logo had a paper flag/label that said it's only a charging cable, further qualifying that it does not transfer data. This reduces resistance efficiently, which means that the charging speed is more stable. Usb c to micro usb cable usb c charging cable, lecone micro usb data transfer 4 in 1 multi cable 1m/ 3 nylon braided cord charger adapter with usb c x2/micro.
The transfer speed is the same and price less then usb + adapter + drivers.
828 usb cable wiring diagram products are offered for sale by suppliers on. How do i wire this. How i used a cheap, china, ebay, micro usb cable that has a hard plastic casing around the connectors on either end of the cable; Just remember that this multi usb cable must use the output below 5v/2a. This reduces resistance efficiently, which means that the charging speed is more stable. Extra tough unbreakable braided micro usb cable 1.5 meter : Preparing usb male a and female a. One of the cords with the missing logo had a paper flag/label that said it's only a charging cable, further qualifying that it does not transfer data. I have quite a few micro usb cables but not all of them allow me connect my android device to my computer (i've tried both on linux and windows). Unwrap any cable and you'll find multiple wires inside. Keychain usb type c cable mini nylon micro usb mobile phone cable 2a fast charger data transmission for samsung a50 s10 charging. Usb c to micro usb cable usb c charging cable, lecone micro usb data transfer 4 in 1 multi cable 1m/ 3 nylon braided cord charger adapter with usb c x2/micro. A wide variety of usb cable wiring diagram options are available to you, such as type.
This reduces resistance efficiently, which means that the charging speed is more stable. I find that the only micro usb cable i have that can still charge my n5 while running. I have quite a few micro usb cables but not all of them allow me connect my android device to my computer (i've tried both on linux and windows). How do i wire this. Про usb зарядки это надо знать.
Pin On Mpho Plans from i.pinimg.com Diy cable to use otg and simultaneously charge the device (windows and android): This cable is most commonly used in mobile charger for charging mobile phones and as a usb data cable to connect mobile devices to tranfer files and images between personal computers and phones. I have quite a few micro usb cables but not all of them allow me connect my android device to my computer (i've tried both on linux and windows). We focus on usb cables usb related product and usb mobile charging product sales for many years. Hi i can't find xbtz925 cable diagram. A wide variety of usb cable wiring diagram options are available to you, such as type. This reduces resistance efficiently, which means that the charging speed is more stable. How to directly connect usb cable to any electronic circuit or device.
Universal led micro/lightning usb charging cable for ios/android smartphone devices review!
The data cables for usb 1.x and usb 2.x use a twisted pair to reduce noise and crosstalk. Extra tough unbreakable braided micro usb cable 1.5 meter : This reduces resistance efficiently, which means that the charging speed is more stable. Hi i can't find xbtz925 cable diagram. Usb 3.0 cables are more complex and employ shielding for some of the added data lines (2 pairs); This makes it easier to pop the casing off, fiddle with the wires, and close everything. Usb c to micro usb cable usb c charging cable, lecone micro usb data transfer 4 in 1 multi cable 1m/ 3 nylon braided cord charger adapter with usb c x2/micro. Your phone charger and usb cables look like they're single cords, but don't be fooled: Keychain usb type c cable mini nylon micro usb mobile phone cable 2a fast charger data transmission for samsung a50 s10 charging. Amzn.to/2nqikgn advanced usb cable repair how to connect 4g smartphone to tv using usb data cable (charging wire). Preparing usb male a and female a. Just remember that this multi usb cable must use the output below 5v/2a. A shield is added around the pair sketched.
I find that the only micro usb cable i have that can still charge my n5 while running. Here with search you can find pinouts of this serial cable. What if you want to connect an external. One of the cords with the missing logo had a paper flag/label that said it's only a charging cable, further qualifying that it does not transfer data. Extra tough unbreakable braided micro usb cable 1.5 meter :
Wiring Diagram Hdmi Micro Usb Pinout Mobile High Definition Link Cable Plug Angle Text Png Pngegg from e7.pngegg.com How do i wire this. Wire the connectors to the switch as shown in the diagram below. It's perfect for home and office as well. How i used a cheap, china, ebay, micro usb cable that has a hard plastic casing around the connectors on either end of the cable; Usb c to micro usb cable usb c charging cable, lecone micro usb data transfer 4 in 1 multi cable 1m/ 3 nylon braided cord charger adapter with usb c x2/micro. I find that the only micro usb cable i have that can still charge my n5 while running. This cable is most commonly used in mobile charger for charging mobile phones and as a usb data cable to connect mobile devices to tranfer files and images between personal computers and phones. A wide variety of usb cable wiring diagram options are available to you, such as type.
You take a cable, plug in the phone, and boom:
Hi i can't find xbtz925 cable diagram. Wire the connectors to the switch as shown in the diagram below. How to directly connect usb cable to any electronic circuit or device. This cable is most commonly used in mobile charger for charging mobile phones and as a usb data cable to connect mobile devices to tranfer files and images between personal computers and phones. Here with search you can find pinouts of this serial cable. Про usb зарядки это надо знать. To prevent wires' damages the tpu cable guard protects the cable from reaching its critical bending level. What if you want to connect an external. How i used a cheap, china, ebay, micro usb cable that has a hard plastic casing around the connectors on either end of the cable; This makes it easier to pop the casing off, fiddle with the wires, and close everything. The transfer speed is the same and price less then usb + adapter + drivers. Keychain usb type c cable mini nylon micro usb mobile phone cable 2a fast charger data transmission for samsung a50 s10 charging. What do you do when your phone needs to be charged?
Bagikan Artikel ini
Belum ada Komentar untuk "Micro Usb Charging Cable Wiring Diagram / Micro Usb Pinout Because Everything Is Terrible Never Stop Building Crafting Wood With Japanese Techniques / Keychain usb type c cable mini nylon micro usb mobile phone cable 2a fast charger data transmission for samsung a50 s10 charging."
Belum ada Komentar untuk "Micro Usb Charging Cable Wiring Diagram / Micro Usb Pinout Because Everything Is Terrible Never Stop Building Crafting Wood With Japanese Techniques / Keychain usb type c cable mini nylon micro usb mobile phone cable 2a fast charger data transmission for samsung a50 s10 charging."
Posting Komentar